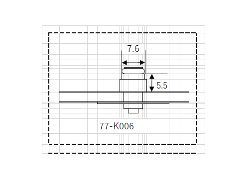
FUEL PETCOCK DIAPHRAGM 単品 YAMAHA /KAWASAKI『77-K006』1UA-24500-01/3XC-24500-00/4HM-24500-00 51023-1173/1267/1270/1272/1277 旧車 キャブレター フューエルペトコックダイヤフラム単品 安心の日本製ナプコ DIA-4 18-6639
品番STOCK NO.77-K006




対応車種 MODELS
XJR400
EN500(C6-C10)
ZR750(F5,H3)
EX250(ZZR250)(H1-5,H7-11,H14)
純正プラグナンバー GENUINE NO
1UA-24500-01(Assy)
3XC-24500-00(Assy)
4HM-24500-00(Assy)
51023-1173(Assy)
51023-1267(Assy)
51023-1270(Assy)
51023-1272(Assy)
51023-1277(Assy)
メーカー希望価格 ASKING PRICE
2,500円(税抜き)2,750円(税込み)
車名 MOTORCYCLE NAME
排気量 DISPLACEMENT
タイプ TYPE
年代 AGE
キャブレターOEM番号 CARBURETOR NO
お問合せをする前に
ご用意ください
下記の項目をお調べいただいてから、お問い合わせ頂くとスムーズに対応できます。
- ・「弊社品番」「純正番号」「車種」「排気量」お手元にパーツリストをご用意ください。
- ・弊社品番特定しない場合は現物を送っていただく場合もあります。

